Mundo

Ciencia.-Nuevo material ligero y fuerte con alta capacidad amortiguadora

Científicos en China y Estados Unidos han desarrollado un nuevo tipo de material biomimético cermet (cerámicos y metal), resistente y ligero, con una gran propiedad amortiguadora.

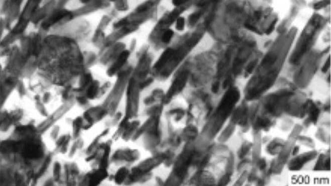
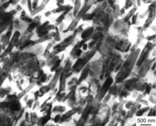
Aspecto del nuevo material cermat ligero, resistente y amortiguador a la vez LIU ET AL./MATERIALS TODAY

MADRID, 31 (EUROPA PRESS)

Los materiales ligeros, fuertes, resistentes y, al mismo tiempo, amortiguadores resultan muy atractivos para toda una serie de aplicaciones. Normalmente, estas cualidades son mutuamente excluyentes y conseguir combinarlas no es tarea fácil, según un reciente artículo de investigación publicado en la revista Materials Today.

Inspirándose en la estructura de materiales biológicos naturales como conchas y huesos, los investigadores de la Academia China de Ciencias, la Universidad de Ciencia y Tecnología de China, la Universidad de California Berkeley y la Universidad ShanghaiTech seleccionaron como componentes materiales con propiedades tanto metálicas como cerámicas para presentar el material cermet con estructura ultrafina 3D interpenetrante similar a la del nácar.

El cermet resultante presenta una alta resistencia a la flexión superior a 1 GPa, superior a la de la mayoría de los demás materiales a granel de magnesio y aleaciones de magnesio, cerámicas y sus materiales compuestos, así como altas capacidades de amortiguación y buena tenacidad a la fractura, señala el artículo de investigación, citado por Xinhua.

La estrategia de diseño arquitectónico y el método de fabricación robusta pueden resultar eficaces para desarrollar nuevos materiales cermet de alto rendimiento y se espera que se utilicen en campos como el aeroespacial y el de los instrumentos de precisión.

Lo Último